555 multivibrator timer monostable using diagram vibrator block multi mono stable circuit internal module Basic monostable multivibrator based ic timer 555 555 timer ic
Monostable multivibrator | Electronics Tutorial
How to design and build a simple monostable multivibrator circuit using
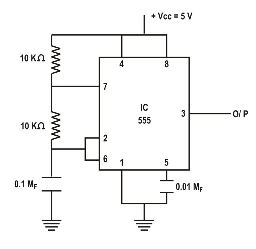
Monostable multivibrator using 555 timer
Monostable multivibrator using bjt explained555 timer monostable multivibrator circuit astable ic diagram mode resistor value time operation depending delay microseconds capacitor duration hours few Monostable 555 multivibrator working principle and circuit diagram withElectronic projects.
Monostable multivibratorMonostable multivibrator circuit diagram Monostable circuit multivibrator shot electronics pulse diagram output generator ws tutorials single example oscillator high circuits response input short knownMonostable multivibrator transistors using circuit diagram.

What is a monostable multivibrator?
Monostable 555 multivibrator circuit ic timer basic based diagram lm555 electronic schematic list circuitdiagram componentsHow to design and build a simple monostable multivibrator circuit using Monostable multivibratorMonostable multivibrator.
Elementary ic monostable multivibrator circuit diagramMonostable multivibrator utmel What is a monostable multivibrator? definition, circuit, operation andMultivibrator monostable amp circuit op using simple lm358 used schematic.

555 monostable timer multivibrator circuit using diagram circuits schematic stable draw electronic oscillator unstable transmitter
Monostable circuit multivibrator 555 diagram vibrator multi animation circuits components requiredWhat is a monostable multivibrator? definition, circuit, operation and 555 monostable multivibrator timer shot circuit using pulse mmv circuits ic mode operation time schematic output oscillator waveform next widthMonstable multivibrator using 555 timer.
555 timer as monostable multivibrator -circuit,operation,waveform,designMultivibrator monostable circuit emitter coupled diagram operation formed operates also here Monostable multivibrator using transistorsMultivibrator monostable op amp using circuit simple astable.

A "media to get" all datas in electrical science...!!: astable and
How a monostable multivibrator using ic 555 works?Monostable multivibrator circuit coupled collector diagram operation electronics shows applications electronicscoach Monostable multivibrator 555 using timer circuit multivibrators diagram pulse delay working timeMonostable multivibrator bjt using explained.
Monostable multivibrator 555 ic using circuit diagram study detailed works connectedMonostable multivibrator Monstable multivibrator using 555 timerMonostable multivibrator op circuit amp using diagram electronics tutorial circuits wave square.







